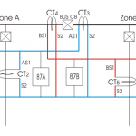
Differential Protection of Sectionalized Bus

Differential Protection of Sectionalized Bus

Discover more from Electrical Engineering 123

Subscribe to get the latest posts sent to your email.